◆ Model: YN40 yn50 yn60 yn75 yn100 yn150
◆ Uporaba: Ovaj niz instrumenata ima dobru otpornost na udarce, posebno pogodan za mjesta s jakom vibracijom okolišnih strojeva, a može izdržati nasilnu pulsaciju, udar i naglo istovaranje srednjeg tlaka. Pogodan je za mjerenje tlaka tekućine, plina ili pare koji nema opasnost od eksplozije, ne kristalizira, ne učvršćuje i nema korozivnog učinka na bakrenu i bakrenu leguru. Instrument označava stabilna i jasna očitanja. Naširoko se koristi u teškim strojevima, rudarstvu, nafti, kemijskoj industriji, metalurgiji, električnoj energiji i drugim odjelima.
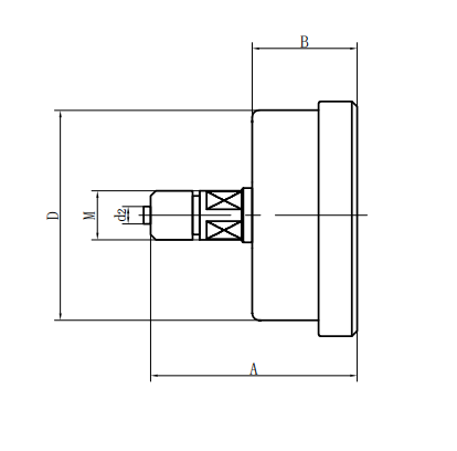
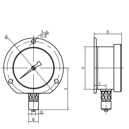
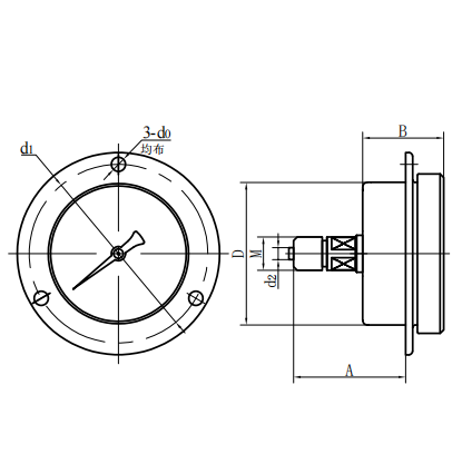
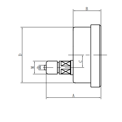
◆ U praktičnoj primjeni, prema posebnim karakteristikama različitih medija (poput zabrane nafte, vatrootpornog, otpornih na koroziju itd.), Zahtjevi instrumenta su različiti, tako da ovaj niz instrumenata dobiva mnoge odgovarajuće posebne instrumente, njihov nominalni promjer, vrstu instalacije, nit konektora, razina mjerenja, a itd. Su u istoj sezmu (sezmu na mjerilu), a itd.
2.1 pogodno za mjerenje tlaka zapaljivih i eksplozivnih medija. Strogo je zabranjeno kontakt s masnim zapaljivim tvarima. Tretman za odbacivanje vrši se prije napuštanja tvornice i testiran da bude bez masti.
2.1.1 yon serija otporna na šok (seizmički) mjerač tlaka kisika
2.1.2 YHN serija otporna na udarce (seizmički) mjerač tlaka vodika
2.1.3 Yyn serija šoka otpornih na udar (udar) acetilen tlaka
2.2 Korišteni materijali otporni su na koroziju medija ili instrument nema utjecaja na medij i kako bi se osiguralo da su elementi detekcije i sučelja čisti i bez masti.
2.2.1 Yan serija šoka otpornih na udar (šok) amonijak tlaka
2.2.2.
YN serija serije otporan na udarce tlaka
Model: 40 mm (1,5 "), 50 mm (2"), 60 mm (2,5 "), 100 mm (4"), 150 mm (6 ")
Uvod:
Serija instrumenata ima izvrsnu otpornost na udarce, stabilnu indikaciju, jasna očitanja, a posebno su prikladni za upotrebu na mjestima s intenzivnim mehaničkim vibracijama. Oni također mogu izdržati drastične pulsacije, utjecaje i naglo smanjenje opterećenja medija. Mehanizam koji apsorbira udarce i dizajn ispunjen tekućinom (obično glicerin i silikonsko ulje) omogućuju ovaj tlak kako bi se osiguralo pouzdano i precizno mjerenje tlaka čak i u složenim i štetnim uvjetima. Zbog svoje elastičnosti i točnosti, široko se koristi u raznim industrijama. s



















































































































