◆ Model: Ye60 ye100 ye150
◆ Uporaba: Mjerač tlaka membranske kutije također se naziva mikro tlakom. Prikladan je za mjerenje niskog mikro-tlaka plinova ili pare bez opasnosti od eksplozije, ne-kristalizacije, nekondenzacije i ne-korozivnog učinka na bakrenu i bakrenu leguru. s
◆ Tehnički parametri :
| Broj modela | Ye60 | YE100 | YE150 | |
| Nominalni promjer | Φ 60 | Φ 100 | Φ 150 | |
| Montažni tip | Ⅰ | * | * | * |
| Ⅱ | / | * | * | |
| Ⅲ | * | / | / | |
| Ⅳ | / | * | * | |
| Ⅴ | * | / | / | |
| Konektor | M14 × 1.5 | M20 × 1.5 | ||
| Klasa točnosti | 1.6 ; 2.5 | |||
| Mjerni raspon ( KPA ) | -40 ~ 0 -25 ~ 0 -16 ~ 0 -10 ~ 0 -6 ~ 0 -4 ~ 0 0 ~ 4 0 ~ 6 0 ~ 10 0 ~ 16 0 ~ 25 0 ~ 40 -2 ~ 2 -3 ~ 3 -5 ~ 5 -8 ~ 8 -12 ~ 12 -20 ~ 20 | |||
| Okolišni uvjeti korištenja | Razboriti : -25 ℃~ 55 ℃; Relativna vlaga : ≤ 80 % | |||
| Ocjena vibracije | V · H · 2 | |||
| Materijal membrane | QSN4-0.3 | |||
| Klasa zaštite | IP54 | |||
| Standardi provedbe | JB/T 9274 | |||
| NAPOMENA: 1. Zajednice se mogu prilagoditi prema zahtjevima korisnika. | ||||
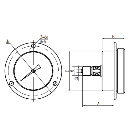
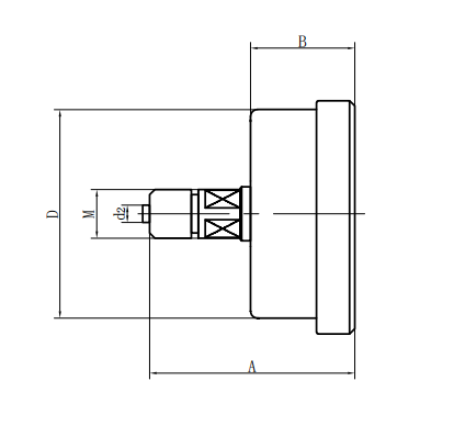
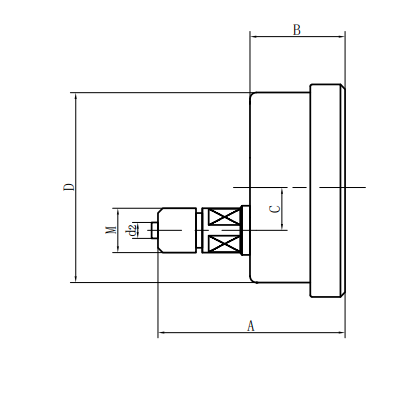
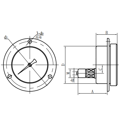
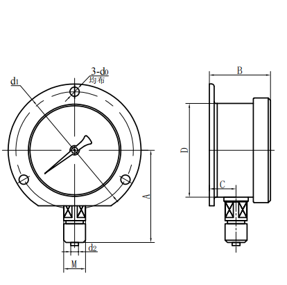
◆ Vanjske dimenzije:
| Radijalni izravni tip (ⅰ) | Aksijalni ekscentrični izravni tip (ⅱ) |
| Aksijalni koncentrični izravni tip (III) | Aksijalni ekscentrični tip umetka (IV) |
| Aksijalni koncentrični tip umetanja (v) | Radijalni konveksni tip (vi) |
| Broj modela | Sveukupne dimenzije ( mm ) | ||||||
| A | B | C | D | E | d2 | M | |
| Ye60 -Ⅰ | 58 | 35 | 11 | φ 60 | 5 | φ 4 | M10 × 1 |
| Ye60 -Ⅲ | 58 | 35 | / | φ 60 | 5 | φ 4 | M10 × 1 |
| | | | | | | | |
| YE100 -Ⅰ | 93 | 50 | 16.5 | Φ 100 | 16.5 | φ 6 | M20 × 1.5 |
| YE100 -Ⅲ | 85 | 50 | / | Φ 100 | 16.5 | φ 6 | M20 × 1.5 |
| | | | | | | | |
| YE150 -Ⅰ | 118 | 53 | 18.5 | φ 150 | 19 | φ 6 | M20 × 1.5 |
| YE150 -Ⅲ | 96 | 53 | / | φ 150 | 19 | φ 6 | M20 × 1.5 |
| | | | | | | | |


















