◆ Model: YZS102
◆ Model: YZS102
◆ Tehnički parametri:
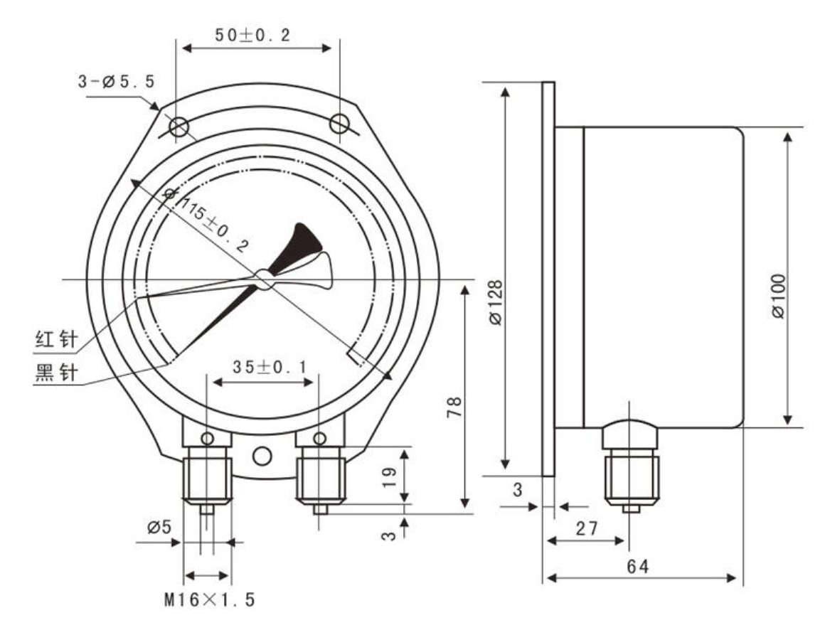
| Model | YZS102 |
| Nominalni promjer | Φ 100 |
| Postavljane niti | M20 × 1.5 ; G3/8 |
| Klasa točnosti | 1.6 |
| Mjerni raspon ( KPA ) | 0 ~ 1000 0 ~ 1200 0 ~ 1600 0 ~ 2500 |
| Okolišni uvjeti korištenja | Temperatura: -5 ° C ~ 60 ° C Relativna vlaga: ne više od 80%. |
| Temperaturni učinci | (odstupanje od 20 ° C ± 5 ° C kada se koristi) nije veći od 0,4%/10 ° C |
| težina | 0,7kg |
| Ocjena otpornosti na vibraciju | V · H · 3 |
| Zaštita ulaska | IP54 |
| Provedite standard | GB/T1226 |
| Bilješka: 1 . Zajednička nit može se prilagoditi u skladu s korisničkim zahtjevima. | |
◆ Vanjske dimenzije:
Wuxi Huihua Special Instrumentation Co., Ltd. was established in December 2001, the registered capital is 5 million yuan, the existing staff of more than 50 small and medium-sized joint-stock enterprises.
Tvrtka se specijalizirala za proizvodnju različitih vrsta posebnih instrumenata, alternativa lokalizaciji uvezenih instrumenata. Do seizmičkog mjerača tlaka, mjerač seizmičkog električnog kontaktnog tlaka, mjerač tlaka od nehrđajućeg čelika, mjerač tlaka otpornog na koroziju dijafragme, mjerač morskog tlaka i druge serije kao glavni proizvodi. Na temelju terenskih instrumenata razvili smo različite vrste tlačnih odašiljača, kontrolera tlaka, mjerača digitalnih tlaka i tako dalje. Postoji više od 30 serija i 3000 specifikacija. Proizvodi opskrbe široko se koriste u nafti, kemijskim, papirnim, metalurgijama, rudarstvu, kemijskim vlaknima, električnom energijom, hrani, zaštiti okoliša, guma i plastici, hidraulici i mnogim drugim industrijama, te više od 2.000 domaćih kupaca kako bi uspostavili prijateljski odnos s nacionalnim velikim i srednjim poduzećima za osnivanje dobrog partnerstva, osvojenih većih korisnika i pohađanja korisnika.
Kao YZS serija serije dvostruka igla dvostruka cijevi za tlake Manufacturers, strogi procesi kontrole kvalitete na snazi su u cijelom proizvodnom sustavu kako bi se osiguralo da se proizvode dosljedna kvaliteta.
Tlakomjeri su među najosnovnijim instrumentima u bilo kojem industrijskom, mehaničkom ili procesnom okruženju. Omogućuju mjerenje tlaka tekućine ili plina u stvarnom vremenu, omogućujući operaterima praćenje performan......
Pročitajte višeRazumijevanje osnova mjerača tlaka Tlakomjeri osnovni su instrumenti koji se koriste u bezbrojnim industrijama za mjerenje i prikaz tlaka plinova ili tekućina unutar sustava. Ovi uređaji služe kritičnim funkc......
Pročitajte višePretvarači diferencijalnog tlaka ključni su instrumenti u modernim sustavima upravljanja, mjerenja i nadzora industrijskih procesa. Ovi uređaji mjere razliku u tlaku između dvije točke u sustavu i pretvaraju to mjeren......
Pročitajte više