◆ Tehnički parametri:
| Model | CYB100 | CYB150 |
| Nominalninini promjer | Φ 100 | Φ 150 |
| Montažni tip | Radijalni konveksni montiran Paralelna sučelja | * | * |
| Radijalni konveksni montiran Sučelje s osam znakova | / | * |
| Ekscentrični ekscentrični tip ispiranja | / | * |
| Mjerni raspon | Diferencijalni pritisak Mjerni raspon KPA | Nominal Radni pritisak KPA | Diferencijalni pritisak Mjerni raspon MPA | Nominal Radni pritisak MPA |
| 0 ~ 10 | 60 | 0 ~ 0.16 | 1 |
| 0 ~ 16 | 100 | 0 ~ 0.25 | 1.6 |
| 0 ~ 25 | 160 | 0 ~ 0.4 | 2.5 |
| 0 ~ 40 | 250 | 0 ~ 0.6 | 4 |
| 0 ~ 60 | 400 | 0 ~ 1 | 6 |
| 0 ~ 100 | 600 | 0 ~ 1.6 | 10 |
| | | 0 ~ 2.5 | 10 |
| Klasa točnosti | 2.5 |
| Postavljane niti | M20 × 1.5 |
| Koristite temperaturu okoline | -40 ℃~ 70 ℃ |
| Temperatura medija koji će se koristiti | ≤ 60 ℃ |
| Ocjena otpornosti na vibraciju | V · H · 3 |
| Ocjena kućišta | IP54 |
| težina | Približno 1,0 kg |
| Materijal sustava impulsa | 0CR17ni12mo2 、 SUS316 |
| kućište i drugi materijali | 1cr18ni9 、 SUS304 |
| Provedite standard | JB/T 12015-2014 |
| Bilješka: 1 . Zajednička nit može se prilagoditi u skladu s korisničkim zahtjevima. |
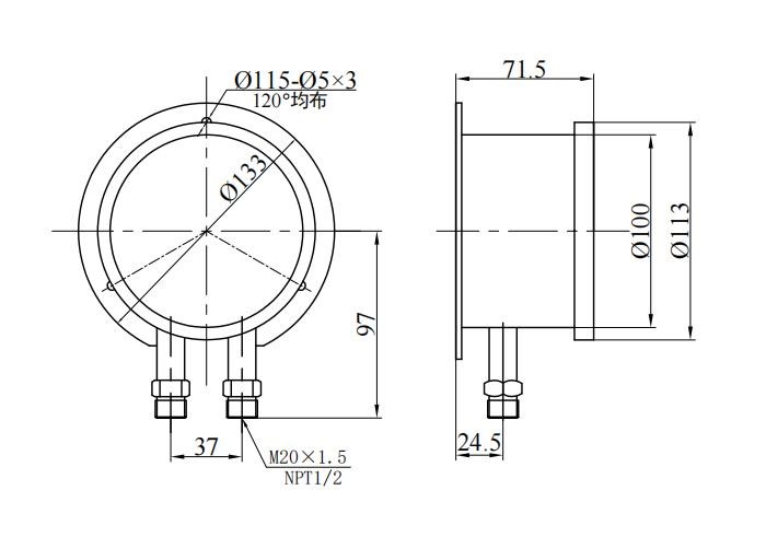
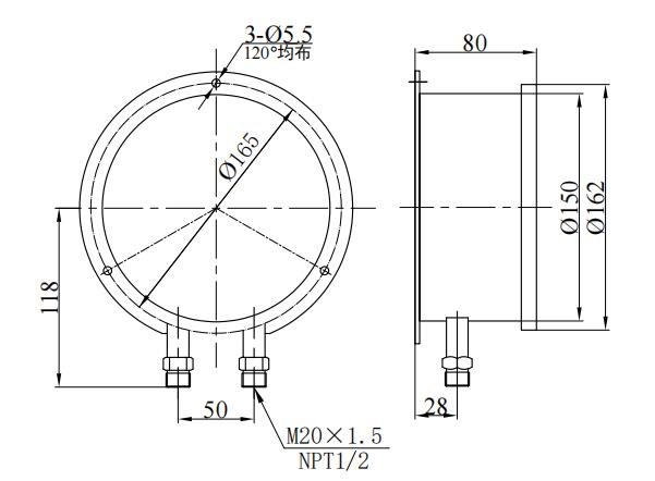
◆ Izgled i instalacija Veličina:
| CYB100 Paralelno sučelje | CYB150 Paralelno sučelje |
| CYB150 Bazi sučelje | CYB150 aksijalna ekscentričnost |
◆ Strukturni princip:
Instrument prihvaća strukturu dvostruke burdonske cijevi,, to jest, dvije burdonske cijevi ugrađene su u simetrične položaje s obje strane nosača "I". Gornji i donji dijelovi nosača "I" su pokretni kraj, odnosno fiksni kraj, a sredina je povezana oprugama: dvije cijevi Bourdona su u paralelnom stanju i povezane su s visokim i niskim naponskim spojevima na slučaju s cijevi: mehanizam za izravno u okviru, i izravno je na donjem dijelu, i izravno je na donjem kraju, i izravno je u okviru BORCKE fiksiran na mehanizam prijenosa zupčanika.
◆ Načelo rada: Na temelju elementa osjetljivosti na pritisak, koriste se dvije burdonske cijevi s istom krutošću, pa su prisiljene proizvesti istu koncentriranu silu pod istim izmjerenim medijem da djeluju na pokretnu nosaču, jer dvije strane proljetne lopatice još uvijek ne proizvode, tako da je i tako da je mjerenje, tako da je pansion, tako da je pansion, tako da je pansion, tako da je pansion, tako da je mehaniza nula položaja.
Kada se primjenjuju različiti pritisci (općenito je kraj visokog tlaka veći od kraja niskog tlaka) , sila dviju burdonskih epruveta koje djeluju na pokretnu potporu nije jednaka, tako da se generira odgovarajući pomak, a mehanizam prijenosa zupčanika pokreće se i pojačava, a vrijednost različitog tlaka je naznačena nakon što je naznačena.
◆ Mjere opreza:
1. Instrument bi trebao biti instaliran okomito na položaju koji je na istoj razini kao i mjerna točka, u protivnom se mora uzeti u obzir dodatna pogreška uzrokovana razlikom razine tekućine.
2 . Konektor instrumenta označen s " H "ili" "je kraj visokog napona i onaj označen" L "ili" - "je kraj niskog napona, koji se ne može preokrenuti tijekom instalacije.
3 . Kad instrument mjeri diferencijalni tlak, vrijednost diferencijalnog tlaka može se koristiti unutar 75% gornje granice raspona skale, a maksimalna vrijednost statičke tlaka sustava ne bi trebala prelaziti maksimalnu vrijednost statičkog tlaka navedene instrumentom.
4. Kao što je prikazano na slici 4 , ventil za ravnotežu (sigurnosni) (ventil 1 ) treba postaviti ispred ulaznih priključaka visokog i niskog tlaka tijekom instalacije, a treba biti u otvorenom položaju, a ventil za ravnotežu treba biti zatvoren nakon ventila 2 i ventil 3 svi su otvoreni.
5 . Prije upotrebe, instrument treba pažljivo provjeriti stupanj erozije uzrokovanog izmjerenim medijem, kako ne bi uzrokovao rano oštećenje korozije u burdonskoj cijevi.
Upute za naručivanje:
Prilikom naručivanja instrumenta korisnik mora navesti:
1. Model i ime, raspon diferencijalnog tlaka, maksimalni statički tlak, mjerna jedinica, razina točnosti;
2. Materijal cijevi za uklapanje i burdon;
3. Veličina spoja: Konvencionalno M20 × 1.5 , NPT1/2 (ili imenovanje kupca);
4. Napomena: Tri grupe ventila mogu se prilagoditi u ime korisnika (ventile 1 ~ ~ 3 na slici 4 )