◆ Model: YC40 YC50 YC60 YC75 YC100 YC150
◆ Uporaba: Ovaj serija instrumenata prikladna je za mjerenje tlaka tekućine, plina, pare i drugih fluidnih medija bez opasnosti od eksplozije, kristalizacije ili očvršćivanja na brodovima i srodne opreme.
Ova serija instrumenata ima blistavi tip, u glavnoj skali kotača, a prednji kraj pokazivača obložena je aktivnim ili pasivnim trajnim svjetlosnim sredstvima, tako da se vrijednost tlaka može jasno pročitati u mraku.
Školjka ove serije instrumenata u potpunosti je zapečaćena i ima određeni otpor koroziji morske vode, čime se štiti unutarnje komponente instrumenta od oštećenja i korozije valovima i morskom vodom.
Ova serija instrumenata također se može napuniti uljem za prigušivanje niske viskoznosti u školjci, s mogućnošću da se odupire vibraciji radnog okruženja uzrokovanog lošim vremenom u moru i pulsiranjem srednjeg tlaka.
Ova serija instrumenata uglavnom se koristi u priobalju, nafte i plinskim poljima na moru, platformama za bušenje na moru, rudarstvu morskog dna, unutarnjim navigacijama i drugim industrijama.
◆ Tehnički parametri :
| Broj modela | Ylm60 | YLM100 | YLM150 | |
| Nominalni promjer | Φ 60 | Φ 100 | Φ 150 | |
| Montažni tip | Ⅰ | * | * | * |
| Ⅱ | * | * | * | |
| Ⅲ | * | / | / | |
| Ⅳ | * | * | * | |
| Ⅴ | * | / | / | |
| Ⅵ | * | * | * | |
| Konektor | M14 × 1.5 | M20 × 1.5 | ||
| Klasa točnosti | 2.5 | 1.6 | ||
| Mjerni raspon ( MPA ) | Upražnjeno: -0.1 ~ 0 Vlasno vakuum: -0.1 ~ 0,06 -0.1 ~ 0,15 -0,1 ~ 0.3 -0.1 ~ 0,5 -0,1 ~ 0,9 -0,1 ~ 1.5 -0.1 ~ 2.4 Pritisak: 0 ~ 0,1 0 ~ 0,16 0 ~ 0,25 0 ~ 0,4 0 ~ 0.6 0 ~ 1 0 ~ 1.6 0 ~ 2,5 0 ~ 4 0 ~ 6 0 ~ 10 0 ~ 16 0 ~ 25 0 ~ 40 0 ~ 60 0 ~ 100 、 0 ~ 160 、 0 ~ 250 |
| Okolišni uvjeti korištenja | Temp: -40 ℃~ 70 ℃ |
| ocjena vibracije | Normalni tip: V · H · 3 ; Seizmički tip (tip ispunjen tekućinom): V · H · 4 |
| Materijal od borden cijevi | QSN4-0.3 、 OCR18ni12mo2ti |
| Materijal za kućište i priključak | 1cr18ni9ti ; SUS304 |
| klasa zaštite | IP65 |
| Standardi provedbe | GB/T 1226 ; JB/T 6804 |
| NAPOMENA: 1. Zajednice se mogu prilagoditi prema zahtjevima korisnika. | |
◆ Vanjske dimenzije:
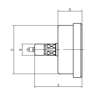
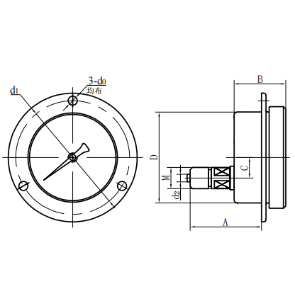
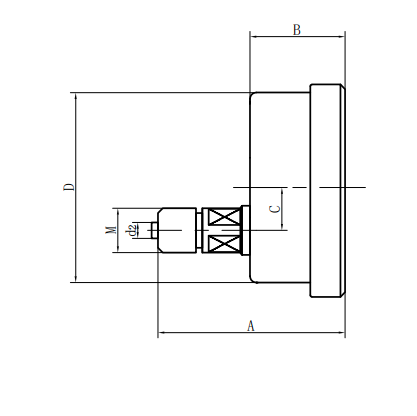
| Radijalni izravni tip (ⅰ) | Aksijalni ekscentrični izravni tip (ⅱ) |
| Aksijalni koncentrični izravni tip (III) | Aksijalni ekscentrični tip umetka (IV) |
| Aksijalni koncentrični tip umetanja (v) | Radijalni konveksni tip (vi) |
| Broj modela | Ukupne dimenzije (MM) | |||||||
| A | B | C | D | d0 | D1 | d2 | M | |
| Yc60- Ⅰ | 56 | 33 | 11 | Φ 60 | / | / | Φ 5 | M14 × 1.5 |
| Yc60- Ⅱ | 61 | 32.5 | 18 | Φ 60 | / | / | Φ 5 | |
| Yc60- Ⅲ | 61 | 32.5 | / | Φ 60 | / | / | Φ 5 | M14 × 1.5 |
| Yc60- Ⅳ | 55 | 32.5 | 18 | Φ 60 | Φ 5 | Φ 75 | Φ 5 | |
| Yc60- Ⅴ | 55 | 32.5 | / | Φ 60 | Φ 5 | Φ 75 | Φ 5 | M14 × 1.5 |
| Yc60- Ⅵ | 56 | 33 | 11 | Φ 60 | Φ 5 | Φ 75 | Φ 5 | M14 × 1.5 |
| YC100- Ⅰ | 90 | 48 | 15 | Φ 100 | / | / | Φ 6 | M20 × 1.5 |
| YC100- Ⅱ | 83 | 44 | 34 | Φ 100 | / | / | Φ 6 | M20 × 1.5 |
| YC100- Ⅳ | 68 | 44 | 34 | Φ 100 | Φ 6 | Φ 118 | Φ 6 | M20 × 1.5 |
| YC100- Ⅵ | 90 | 48 | 15 | Φ 100 | Φ 6 | Φ 118 | Φ 6 | M20 × 1.5 |
| YC150- Ⅰ | 117 | 51 | 16.5 | Φ 150 | / | / | Φ 6 | M20 × 1.5 |
| YC150- Ⅱ | 92 | 52 | 55 | Φ 150 | / | / | Φ 6 | M20 × 1.5 |
| YC150- Ⅳ | 69 | 52 | 55 | Φ 150 | Φ 6 | Φ 165 | Φ 6 | M20 × 1.5 |
| YC150- Ⅵ | 117 | 53 | 28 | Φ 150 | Φ 6 | Φ 165 | Φ 6 | M20 × 1.5 |


















