◆ Model: YJ150 YJ150A
◆ Uporaba: Ova serija instrumenata uglavnom se koristi za kalibraciju industrijskih ili civilnih običnih mjerača tlaka. Također se može koristiti za precizno mjerenje tlaka ne-korozivnih, ne-kristalizacijskih i nekonsolidirajućih medija, poput bakrene legure i legure konstrukcijskog čelika na mjestu procesa.
Ova serija instrumenata u liniji skale ispod postavke zrcalnog prstena, u uporabi može učiniti da se pogreška čitanja minimizira. Vrsta s nultim uređajem, u procesu uporabe, ako utvrdite da se pokazivač ne vraća na nulu, u nedostatku medija, tlak može biti precizan pokazivač, tako da se vrati na nulu.
◆ Tehnički parametri :
| Broj modela | YJ150 | YJ150A | |
| Nominalni promjer | Φ 150 | ||
| Obrazac za instalaciju | Ⅰ | * | * |
| Ⅳ | * | * | |
| Konektor | M20 × 1.5 | ||
| Klasa točnosti | 0.4 | ||
| Mjerni raspon ( MPA ) | Upražnjeno: -0.1 ~ 0 Vlasno vakuum: -0.1 ~ 0,06 -0.1 ~ 0,15 -0,1 ~ 0,3 -0,1 ~ 0,5 -0,1 ~ 0,9 -0,1 ~ 1.5 -0.1 ~ 2.4 Pritisak: 0 ~ 0,1 0 ~ 0,16 0 ~ 0,25 0 ~ 0,4 0 ~ 0.6 0 ~ 1 0 ~ 1.6 0 ~ 2,5 0 ~ 4 0 ~ 6 0 ~ 10 0 ~ 16 0 ~ 25 0 ~ 40 0 ~ 60 0 ~ 100 | ||
| Okolišni uvjeti korištenja | Temp: 20 ℃ ± 3 ℃ | ||
| ocjena vibracije | V · H · 2 | ||
| klasa zaštite | IP54 | ||
| Standardi provedbe | GB/T 1227 | ||
| NAPOMENA: 1. Zajednice se mogu prilagoditi prema zahtjevima korisnika. | |||
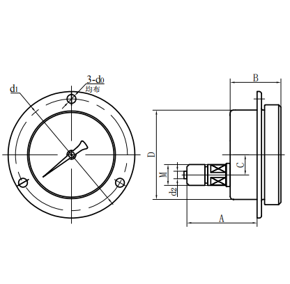
◆ Vanjske dimenzije:
| Radijalni izravni tip (ⅰ) | Aksijalni ekscentrični izravni tip (ⅱ) |
| Broj modela | Sveukupne dimenzije ( mm ) | |||||||
| A | B | C | D | d0 | D1 | d2 | M | |
| YJ150- Ⅰ Yj150a- Ⅰ | 113 | 51 | 21 | Φ 150 | / | / | Φ 6 | M20 × 1.5 |
| YJ150- Ⅳ Yj150a- Ⅳ | 79 | 51 | 55 | Φ 150 | Φ 6 | Φ 165 | Φ 6 | M20 × 1.5 |


















