◆ Model: y¨-ml y¨-mf y¨-mg y¨-mz y¨-mk y¨-mn y¨-ms
◆ Primjena: Zbog neizravne mjerne strukture, mjerač tlaka dijafragme pogodan je za mjerenje tlaka tekućina, plinova ili zrnatih krutih tvari s visokom viskoznošću, jednostavnim za kristalizaciju, jakom korozijom i visokom temperaturom. Izolacijska dijafragma ima različite materijale koji će se prilagoditi različitim korozivnim medijima.
Ovi se instrumenti uglavnom koriste u kemijskim vlaknima, sintetičkim vlaknima, nafti, bojama, alkalijama, kiselini, hrani, lijekovima, konstrukciji, rudarstvu, topljenju i drugim industrijama.
Glava mjera ove vrste instrumenta može se koristiti u različitim serijama: opći mjerač tlaka, mjerač tlaka otpornog na udarce, razni mjerač električnog kontaktnog tlaka, razni mjerač električnog kontaktnog tlaka otporan na udarce, odašiljač tlaka, mjerač udaljenog tlaka, digitalni mjerač tlaka, regulator tlaka i tako dalje.
Načelo strukture:
Ovaj je instrument neizravno mjerenje. Deformacija izolacijske dijafragme pod tlakom izmjerenog medija, brtvena tekućina je pod tlakom, a tlak se prenosi na tlak.
Tekućina za brtvljenje je pod pritiskom, a pritisak se vrši na instrument za otkrivanje, što pokazuje vrijednost izmjerenog srednjeg tlaka.
◆ Tehnički parametri :
| Model glave metra | Različite vrste instrumenata tlaka, odašiljači tlaka, kontroleri tlaka itd. | |||
| Klasa točnosti | 1.6 ; 2.5 | |||
| Klasa točnosti ( MPA ) | 0 ~ 0,1 0 ~ 0,16 0 ~ 0,25 0 ~ 0,4 0 ~ 0.6 0 ~ 1 0 ~ 1.6 0 ~ 2,5 0 ~ 4 0 ~ 6 0 ~ 10 0 ~ 16 0 ~ 25 0 ~ 40 | |||
| Materijal za dijafragmu | Nadimak | Materijal | Nadimak | Materijal |
| 1 | 0CR18ni12mo2 | 5 | Hastelloy C (H276C) | |
| 2 | SUS304 | 6 | Monel legura (Cu30ni70) | |
| 3 | SUS316 | 7 | Tantalum (TA) | |
| 4 | SUS316L | 8 | Fluoroplastika (PTFE) | |
| Materijal za izolator | 1cr18ni9; 304; 316; 316L; F4; PVC, itd. | |||
| Materijal za brtve za brtve | NBR; Medicinska silikonska guma; PTFE; Grafit; Fluoroelastomer; itd. | |||
| Punjenje provodljivog tekućine | Metil silikonsko ulje, biljno ulje, glicerin, fluorirano ulje, itd. | |||
| temperaturni učinak | Budući da su toplinsko širenje vodljive tekućine i krutost dijafragme povezani s temperaturom, vrijednost pogreške je 0,1%/° C kada radna temperatura odstupa od 20 ± 5 ° C. | |||
| zaštita od korozije | Ova izvedba uključuje karakteristike korozije u okolišu i mjerni medij, a materijal izolatora, dijafragme lista i perilice za brtvljenje mogu se odabrati u skladu s uvjetima upotrebe. | |||
| razlika u razini | Dijafragma spojena u crijevu u instalaciji Ako je mjerna točka i mjerač tlaka na različitim visinama, njegova razlika u razini tekućine nastala je razlika tlaka △ P utjecati na izmjerenu vrijednost instrumenta, formula je: △ P = Specifična gravitacija za brtvene tekućine × Razina razine tekućine. | |||
| Standardi provedbe | JB/T 8624 | |||
| Napomena: 1, nit priključka može se prilagoditi prema zahtjevima korisnika; 2 、 Povezivanje prirubnice može se prilagoditi u skladu sa standardnim zahtjevima korisnika. | ||||
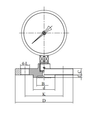
◆ Izolatorska tipa Veličina i shema instalacije:
| (Ml) navojno sučelje | (Mf) Otvorena prirubnica za lice |
























