◆ Model: YJY100 YJY150
◆ Uporaba: Apsolutni tlak odnosi se na tlak koji je veći od apsolutnog tlaka nula s apsolutnom tlakom nulom (apsolutni vakuum) kao referencu. Apsolutna vrijednost tlaka može se izraziti sljedećom formulom:
Apsolutna vrijednost tlaka = Vakuum (negativni tlak) Vrijednost Atmosferski tlak
Apsolutni mjerač tlaka uglavnom se koristi za praćenje ili mjerenje apsolutnog tlaka u nekoj vakuumskoj opremi (npr. Vakuumski strojevi za pakiranje, oprema za praćenje kondenzacijskog tlaka i tlaka pare tekućine itd.).
◆ Radni tlak: Statičko opterećenje se koristi do 3/4 gornje granične vrijednosti mjerenja, razmjena opterećenja koristi se do 2/3 gornje granične vrijednosti mjerenja, a kratkoročni tlak se koristi do gornje granične vrijednosti mjerenja.
◆ Tehnički parametri :
| Broj modela | YJY100 | YJY150 | |
| Nominalni promjer | Φ 100 | Φ 150 | |
| Obrazac za instalaciju | Ⅰ | * | * |
| Ⅱ | * | * | |
| Ⅳ | * | * | |
| Ⅵ | * | * | |
| Konektor | M20 × 1.5 | ||
| Klasa točnosti | 0.4 ; 1.0 ; 1.6 ; 2.5 | ||
| Mjerni raspon ( MPA ) | 0 ~ 0,1 0 ~ 0,16 0 ~ 0,25 0 ~ 0,4 0 ~ 0,6 0 ~ 1 0 ~ 1.6 0 ~ 2,5 0 ~ 4 0 ~ 6 0 ~ 10 | ||
| Okolišni uvjeti korištenja | Temp: -40 ℃~ 70 ℃( klasa točnosti: 0.4 ) -50 ℃~ 160 ℃( klasa točnosti: 1.0 ~ ~ 2.5 ) relativna vlaga : ≦ 80 % | ||
| ocjena vibracije | V · H · 2 ; V · H · 3 | ||
| klasa zaštite | IP65 | ||
| Standardi provedbe | | ||
| NAPOMENA: 1. Zajednice se mogu prilagoditi prema zahtjevima korisnika. | |||
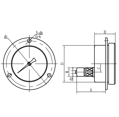
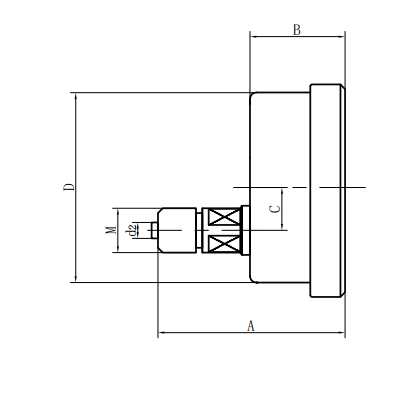
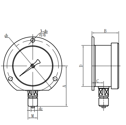
◆ Vanjske dimenzije:
|
Radijalni izravni tip (ⅰ) | Aksijalni ekscentrični izravni tip (ⅱ) |
| Aksijalni koncentrični izravni tip (III) | Aksijalni ekscentrični tip umetka (iv) |
| Broj modela | Sveukupne dimenzije ( mm ) | |||||||
| A | B | C | D | d0 | D1 | d2 | M | |
| YJY100 -Ⅰ | 90 | 48 | 15 | Φ 100 | / | / | Φ 6 | M20 × 1.5 |
| YJY100 -Ⅱ | 83 | 44 | 34 | Φ 100 | / | / | Φ 6 | M20 × 1.5 |
| YJY100 -Ⅳ | 68 | 44 | 34 | Φ 100 | Φ 6 | Φ 118 | Φ 6 | M20 × 1.5 |
| YJY100 -Ⅵ | 90 | 48 | 15 | Φ 100 | Φ 6 | Φ 118 | Φ 6 | M20 × 1.5 |
| YJY150 -Ⅰ | 117 | 51 | 16.5 | Φ 150 | / | / | Φ 6 | M20 × 1.5 |
| YJY150 -Ⅱ | 92 | 52 | 55 | Φ 150 | / | / | Φ 6 | M20 × 1.5 |
| YJY150 -Ⅳ | 69 | 52 | 55 | Φ 150 | Φ 6 | Φ 165 | Φ 6 | M20 × 1.5 |
| YJY150 -Ⅵ | 117 | 53 | 28 | Φ 150 | Φ 6 | Φ 165 | Φ 6 | M20 × 1.5 |
























