◆ Model: Y40 Y50 Y60 Y75 Y100 Y150 Y200 Y250
◆ Uporaba: Ovaj serija instrumenata prikladna je za mjerenje tlaka tekućine, plina ili pare koja nema opasnost od eksplozije, ne kristalizira, ne učvršćuje i nema korozivnog učinka na bakrenu i bakrenu leguru.
◆ U praktičnoj primjeni, prema posebnim karakteristikama različitih medija (poput zabrane nafte, sprečavanja požara, otpora korozije itd.), Zahtjevi instrumenta su različiti, tako da ovaj niz instrumenata dobiva mnoge odgovarajuće posebne instrumente, njihov nominalni promjer, vrstu instalacije, nit priključka, razina točnosti, itd., Itd., Itd., I itd.
1.1 pogodno za mjerenje tlaka zapaljivih i eksplozivnih medija. Strogo je zabranjeno kontakt s masnim zapaljivim tvarima. Tretman za odbacivanje vrši se prije napuštanja tvornice, a testira se bez masti.
1.1.1 yo serija mjerač tlaka kisika
1.1.2 YH serija serije vodikov tlak
1.1.3 yy serija acetilen mjerač tlaka
1.2 Korišteni materijali otporni su na koroziju medija ili instrument nema utjecaja na medij i osigurati da su elementi otkrivanja i sučelja čisti i bez masti.
1.2.1 YA serija amonijak tlak tlaka
1.2.2 YDQ serija dušikov mjerač tlaka
◆ Tehnički parametri:
| Broj modela | Y40 | Y50 | Y60 | Y75 | Y100 | Y150 | Y200 | Y250 | |
| Nominalni promjer | Φ 40 | Φ 50 | Φ 60 | Φ 75 | Φ 100 | Φ 150 | Φ 200 | Φ 250 | |
| Obrazac za instalaciju | Ⅰ | * | * | * | * | * | * | * | * |
| Ⅱ | / | / | * | / | * | * | * | * | |
| Ⅲ | * | * | * | * | / | / | / | / | |
| Ⅳ | / | / | * | / | * | * | / | / | |
| Ⅴ | * | * | * | * | / | / | / | / | |
| Ⅵ | / | / | * | * | * | * | / | / | |
| Konektor | M10 × 1 | M14 × 1.5 | M20 × 1.5 | ||||||
| Klasa točnosti | 2.5 | 1.6 | |||||||
| Mjerni raspon ( MPA ) | Upražnjeno: -0.1 ~ 0 Vlasno vakuum: -0.1 ~ 0,06 -0.1 ~ 0,15 -0,1 ~ 0,3 -0,1 ~ 0.5 -0.1 ~ 0,9 -0,1 ~ 1.5 -0.1 ~ 2.4 Pritisak: 0 ~ 0,1 0 ~ 0,16 0 ~ 0,25 0 ~ 0,4 0 ~ 0.6 0 ~ 1 0 ~ 1.6 0 ~ 2,5 0 ~ 4 0 ~ 6 0 ~ 10 0 ~ 16 0 ~ 25 0 ~ 40 0 ~ 60 0 ~ 100 0 ~ 160 | ||||||||
| Okolišni uvjeti korištenja | Temp: -40 ℃~ 70 ℃ | ||||||||
| Ocjena vibracije | V · H · 3 | ||||||||
| Materijal od borden cijevi | QSN4-0.3 | ||||||||
| Klasa zaštite | IP54 、 IP65 | ||||||||
| Standardi provedbe | GB/T 1226 | ||||||||
| NAPOMENA: 1. Zajednice se mogu prilagoditi prema zahtjevima korisnika. | |||||||||
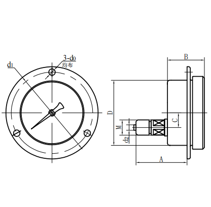
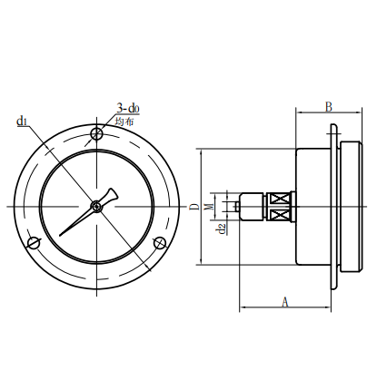
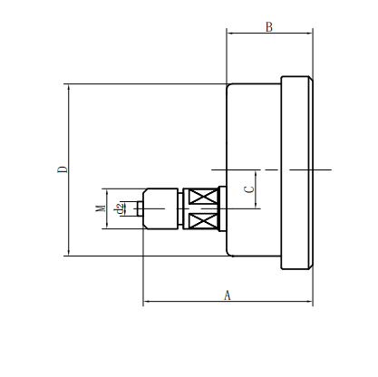
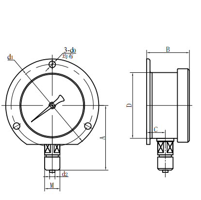
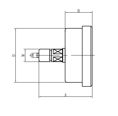
◆ Vanjske dimenzije:
| Radijalni izravni tip (ⅰ) | Aksijalni ekscentrični izravni tip (ⅱ) |
| Aksijalni koncentrični izravni tip (III) | Aksijalni ekscentrični tip umetka (IV) |
| Aksijalni koncentrični tip umetanja (v) | Radijalni konveksni tip (vi) |
| Broj modela | Sveukupne dimenzije ( mm ) | |||||||
| A | B | C | D | d0 | D1 | d2 | M | |
| Y40 -Ⅰ | 38 | 25 | 8.5 | Φ 41 | / | / | Φ 3.5 | M10 × 1 |
| Y40 -Ⅲ | 45 | 26 | / | Φ 41 | / | / | Φ 3.5 | M10 × 1 |
| Y40 -Ⅴ | 38 | 26 | / | Φ 41 | Φ 3.5 | Φ 53 | Φ 3.5 | M10 × 1 |
| Y50 -Ⅰ | 50 | 29 | 9.5 | Φ 52 | / | / | Φ 4 | M10 × 1 |
| Y50 -Ⅲ | 54 | 29 | / | Φ 52 | / | / | Φ 4 | M10 × 1 |
| Y50 -Ⅴ | 47 | 29 | / | Φ 52 | Φ 4 | Φ 64 | Φ 4 | M10 × 1 |
| Y60 -Ⅰ | 54 | 30 | 12 | Φ 60 | / | / | Φ 5 | M14 × 1.5 |
| Y60 -Ⅱ | 63 | 34 | 18 | Φ 60 | / | / | Φ 5 | M14 × 1.5 |
| Y60 -Ⅲ | 58 | 30 | / | Φ 60 | / | / | Φ 5 | M14 × 1.5 |
| Y60 -Ⅳ | 45 | 34 | 18 | Φ 60 | Φ 5 | Φ 75 | Φ 5 | M14 × 1.5 |
| Y60 -Ⅴ | 45 | 34 | / | Φ 60 | Φ 5 | Φ 75 | Φ 5 | M14 × 1.5 |
| Y60 -Ⅵ | 54 | 30 | 12 | Φ 60 | Φ 5 | Φ 75 | Φ 5 | M14 × 1.5 |
| Y75 -Ⅰ | 62 | 31 | 10 | Φ 75 | / | / | Φ 5 | M14 × 1.5 |
| Y75 -Ⅲ | 54 | 32 | / | Φ 75 | / | / | Φ 5 | M14 × 1.5 |
| Y75 -Ⅴ | 54 | 32 | / | Φ 75 | Φ 5 | Φ 91 | Φ 5 | M14 × 1.5 |
| Y75 -Ⅵ | 62 | 32 | 10 | Φ 75 | Φ 5 | Φ 91 | Φ 5 | M14 × 1.5 |
| Y100 -Ⅰ | 89 | 44 | 17 | Φ 100 | / | / | Φ 6 | M20 × 1.5 |
| Y100 -Ⅱ | 83 | 44 | 30 | Φ 100 | / | / | Φ 6 | M20 × 1.5 |
| Y100 -Ⅳ | 68 | 44 | 30 | Φ 100 | Φ 6 | Φ 118 | Φ 6 | M20 × 1.5 |
| Y100 -Ⅵ | 89 | 44 | 18 | Φ 100 | Φ 6 | Φ 118 | Φ 6 | M20 × 1.5 |
| Y150 -Ⅰ | 115 | 49 | 17 | Φ 150 | / | / | Φ 6 | M20 × 1.5 |
| Y150 -Ⅱ | 88 | 49 | 55 | Φ 150 | / | / | Φ 6 | M20 × 1.5 |
| Y150 -Ⅳ | 85 | 49 | 55 | Φ 150 | Φ 6 | Φ 165 | Φ 6 | M20 × 1.5 |
| Y150 -Ⅵ | 115 | 49 | 18 | Φ 150 | Φ 6 | Φ 165 | Φ 6 | M20 × 1.5 |
| Y200 -Ⅰ | 140 | 53 | 20 | Φ 200 | / | / | Φ 6 | M20 × 1.5 |
| Y200 -Ⅱ | 92 | 53 | 53 | Φ 200 | / | / | Φ 6 | M20 × 1.5 |
| Y250 -Ⅰ | 165 | 53 | 20 | Φ 250 | / | / | Φ 6 | M20 × 1.5 |
| Y250 -Ⅱ | 92 | 53 | 53 | Φ 250 | / | / | Φ 6 | M20 × 1.5 |

























